電動叉車電機
產品型號:ZYT-80-4P
電機類型:直流電機
電機功率:500W/定制
電機轉速:3500±300rpm/定制
工作電壓:DC48V/定制
行業用途:搬運車、叉車、登高平臺等機械設備
產品產地:浙江寧波
生產廠家:寧波市鎮海三元機械廠
詢價熱線:13566356715(張先生)
產品概述
我司研發生產的ZYT-80-4P型電動叉車電機是一款高品質的直流電機,該電機采用DC48V電壓,額定功率達500W,在空載狀態下,該電機的轉速可達到3500±300rpm,而空載電流不會超過0.8A。該電機的旋轉方向可按客戶需求定制順時針或逆時針方向,工作制為S2,也就是說該電機可以在輕負荷情況下進行時間短暫的工作,需要進行中斷操作才能夠繼續使用。該款電機可與我司型號為WSN10040SP的無刷電機配套用于液壓車,該電機具有耐用性、高效性和安全性等特點,廣泛應用于搬運車、叉車、登高平臺等機械設備。
規格參數
電機型號:ZYT-80-4P
額定功率: 500W
額定電壓:DC48V
空載轉速:3500±300rpm
空載電流: ≤0.8A
旋轉方向(軸伸端視之+接正極-接負極|):CW(順時針)
工作制: S2
電壓、功率、電流、轉速、工作制等一系列參數可按客戶需求定制。
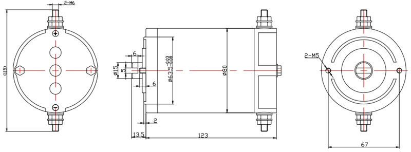
外形尺寸

產品視頻
公司簡介
寧波市鎮海三元機械廠是一家成立于1992年的科技型企業。我們專注于各類中小型電機的研發、制造和銷售。公司擁有一流的技術團隊和先進的生產設備,可以為客戶提供專業的技術支持,并按客戶要求提供定制化的服務。產品深受國內外客戶的信賴和稱譽。
公司成立時間:1992年廠房建筑面積:14000㎡
累積服務客戶:200+家
生產電機總數:40萬+臺
涉及行業領域:10+個
銷售國家地區:20+個

公司擁有強大的營銷和服務網絡,覆蓋全國各地,包括上海、北京、浙江、深圳、吉林、遼寧、江西、天津、山西、河北、河南、云南、陜西、山東、江蘇、安徽、甘肅、福建、重慶、四川、湖南、湖北、廣東、黑龍江、廣西、海南、貴州、西藏、新疆等地區,我們不僅為客戶提供及時的技術支持,更為客戶提供可靠的售后服務,我們始終堅持關懷客戶并完善服務的理念,為客戶創造更加愉悅的訂購體驗。
生產設備
我公司嚴格按照iso9001:2015標準來嚴格規范工廠的生產質量管理,擁有一整套完整先進的生產、加工設備,如自動繞線機、線圈整形機、液壓氣動設備、點焊機、點膠機、綁線機、打標機、車床、鉆床、液壓機、切削機等一系列先進生產設備,在保證產品質量的同時能夠保證高效的供貨能力。

點焊機

精車機

轉子自動繞線機

自動綁線機
工序流程

檢測設備
我公司引進了電機性能測試系統、電磁測功機、電樞綜合測試系統、電機自動測試系統、動平衡測試儀、噪音測試儀等一系列先進的檢測設備保證產品品質。
我們擁有實力強大的qc團隊,從原材料采購到出貨的整個過程均有嚴格的質量控制系統,保證每一環節都符合要求。我們的檢驗標準涵蓋了電機的外觀、結構、性能、安全性和效率等方面的檢驗要求,確保電機質量和安全性。所有出廠的產品100%全檢。

電機性能測試系統

動平衡測量儀

定子綜合測試臺

電機自動測試系統
合作伙伴
我公司的合作客戶遍布全國,并在國際市場上同樣贏得了廣泛的認可與贊譽。我們秉承“品質至上,客戶至上”的服務理念,從產品設計到生產制造,始終堅持精益求精,力求為每一位客戶提供更好的產品和服務。公司員工憑借不懈的努力,持續地推進市場開拓與強化營銷推廣。我們與眾多行業龍頭企業建立了穩固的長期合作關系,所提供的卓越產品與服務廣受這些合作伙伴的高度評價。

榮譽證書
我公司及其兄弟公司“元益機電”均已通過了ISO9001質量管理體系認證。此外,該公司的產品均符合CCC、CE等國際質量認證,并擁有多項外觀設計專利、發明專利及實用新型專利證書。且該公司早在2019年就已被認定為國家高新技術企業。

高新技術企業

創新驅動先進獎

鎮海區企業工程技術中心

ISO9001質量管理體系認證
訂貨須知
訂購產品:客戶確定參數選擇匹配的電機;或者按客戶圖紙及樣品定制電機,確保您訂購的電機符合您的需求。
交貨日期:交期根據客戶訂購的型號和數量不同而不同。在常規款產品方面,我們有一定的原材料備貨,交期會比較短;客戶定制款產品交期相對長一點,我們會竭盡所能早日完成。
付款方式:按照合同約定,我們接受多種付款方式
物流配送:會根據客戶需求來選擇最適合的配送方案
產品包裝:我們提供常規普通包裝,包裝方式會根據產品型號尺寸等具體情況而定;另外,我們也為客戶提供定制包裝服務,以確保產品可以順利送達客戶手中。




