潤滑泵專用電機
產品型號:YS100SD12-4
電機類型:三相交流電機
電機功率:200W~1500W/定制
電機轉速:1400rpm/1700rpm/定制
工作電壓:200V/220V/定制
行業用途:石油、化工、航海、船舶、汽車等工業領域
產品產地:浙江寧波
生產廠家:寧波市鎮海三元機械廠
詢價熱線:13566356715(張先生)
產品概述
我公司研發生產的YS100SD12-4型潤滑泵專用電機系列常用于石油、化工、航海、船舶、汽車等工業領域,電機的功率、能效、尺寸、機殼材質、接線盒位置、規格等均可根據客戶要求定制。憑借先進的技術和優質的產品及服務,該系列電機與國際知名品牌NOP建立了長期穩定的合作關系。
本類電機高能效、低噪音,使用壽命長,可以根據應用需求制造從小功率200W到大功率1500W,并活躍于各個行業領域。
規格參數
| 輸出功率(W) | 極數(P) | 額定 | 200/220V | 380/400V | ||||||
| 電壓(V) | 頻率(Hz) | 轉速 (rpm) | 電流 (A) | 電壓(V) | 頻率(Hz) | 轉速 (rpm) | 電流 (A) | |||
| 1500W | 4 | 連續 | 200 | 50 | 1400 | 6.5 | 380 | 50 | 1420 | 3.4 |
| 200 | 60 | 1700 | 6.3 | 380 | 60 | 1720 | 3.3 | |||
| 220 | 50 | 1420 | 5.8 | 400 | 50 | 1420 | 3.2 | |||
| 220 | 60 | 1720 | 5.6 | 400 | 60 | 1720 | 3.1 | |||
注:以上所列潤滑泵專用電機的參數信息僅供參考,詳細參數請以實際產品為準。電機轉速、轉向、出軸長度、引線長度等均可按客戶要求定制。
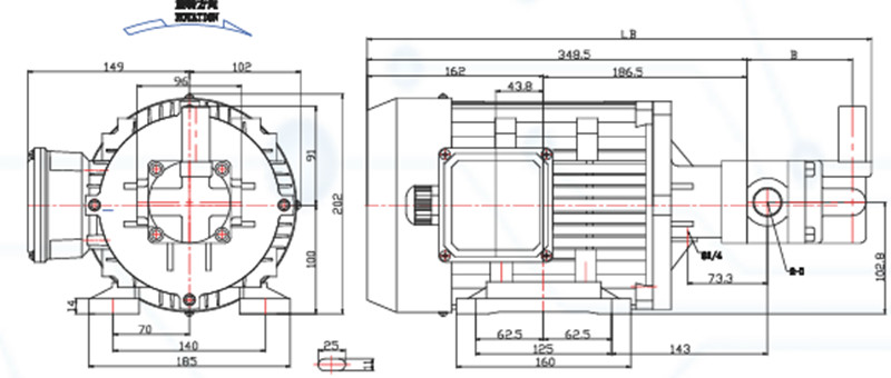
外形尺寸

公司簡介
寧波市鎮海三元機械廠是一家成立于1992年的科技型企業。我們專注于各類中小型電機的研發、制造和銷售。公司擁有一流的技術團隊和先進的生產設備,可以為客戶提供專業的技術支持,并按客戶要求提供定制化的服務。產品深受國內外客戶的信賴和稱譽。
公司成立時間:1992年廠房建筑面積:14000㎡
累積服務客戶:200+家
生產電機總數:40萬+臺
涉及行業領域:10+個
銷售國家地區:20+個

公司擁有強大的營銷和服務網絡,覆蓋全國各地,包括上海、北京、浙江、深圳、吉林、遼寧、江西、天津、山西、河北、河南、云南、陜西、山東、江蘇、安徽、甘肅、福建、重慶、四川、湖南、湖北、廣東、黑龍江、廣西、海南、貴州、西藏、新疆等地區,我們不僅為客戶提供及時的技術支持,更為客戶提供可靠的售后服務,我們始終堅持關懷客戶并完善服務的理念,為客戶創造更加愉悅的訂購體驗。
生產設備
我公司嚴格按照iso9001:2015標準來嚴格規范工廠的生產質量管理,擁有一整套完整先進的生產、加工設備,如自動繞線機、線圈整形機、液壓氣動設備、點焊機、點膠機、綁線機、打標機、車床、鉆床、液壓機、切削機等一系列先進生產設備,在保證產品質量的同時能夠保證高效的供貨能力。

點焊機

精車機

轉子自動繞線機

自動綁線機
工序流程

檢測設備
我公司引進了電機性能測試系統、電磁測功機、電樞綜合測試系統、電機自動測試系統、動平衡測試儀、噪音測試儀等一系列先進的檢測設備保證產品品質。
我們擁有實力強大的qc團隊,從原材料采購到出貨的整個過程均有嚴格的質量控制系統,保證每一環節都符合要求。我們的檢驗標準涵蓋了電機的外觀、結構、性能、安全性和效率等方面的檢驗要求,確保電機質量和安全性。所有出廠的產品100%全檢。

電機性能測試系統

動平衡測量儀

定子綜合測試臺

電機自動測試系統
合作伙伴
我公司的合作客戶遍布全國,并在國際市場上同樣贏得了廣泛的認可與贊譽。我們秉承“品質至上,客戶至上”的服務理念,從產品設計到生產制造,始終堅持精益求精,力求為每一位客戶提供更好的產品和服務。公司員工憑借不懈的努力,持續地推進市場開拓與強化營銷推廣。我們與眾多行業龍頭企業建立了穩固的長期合作關系,所提供的卓越產品與服務廣受這些合作伙伴的高度評價。

榮譽證書
我公司及其兄弟公司“元益機電”均已通過了ISO9001質量管理體系認證。此外,該公司的產品均符合CCC、CE等國際質量認證,并擁有多項外觀設計專利、發明專利及實用新型專利證書。且該公司早在2019年就已被認定為國家高新技術企業。

高新技術企業

創新驅動先進獎

鎮海區企業工程技術中心

ISO9001質量管理體系認證
訂貨須知
訂購產品:客戶確定參數選擇匹配的電機;或者按客戶圖紙及樣品定制電機,確保您訂購的電機符合您的需求。
交貨日期:交期根據客戶訂購的型號和數量不同而不同。在常規款產品方面,我們有一定的原材料備貨,交期會比較短;客戶定制款產品交期相對長一點,我們會竭盡所能早日完成。
付款方式:按照合同約定,我們接受多種付款方式
物流配送:會根據客戶需求來選擇最適合的配送方案
產品包裝:我們提供常規普通包裝,包裝方式會根據產品型號尺寸等具體情況而定;另外,我們也為客戶提供定制包裝服務,以確保產品可以順利送達客戶手中。




