24V直流無刷電機
產品型號:GMWSN10040
電機類型:直流無刷電機
電機功率:450W/定制
電機轉速:220rpm/定制
工作電壓:24V DC/定制
行業用途:清潔設備、航模、醫療器械、機器人、電動汽車等
產品產地:浙江寧波
生產廠家:寧波市鎮海三元機械廠
詢價熱線:13566356715(張先生)
產品概述
直流無刷電機憑借其高效率、低能耗、低噪音、低振動和長壽命等優勢,已成為清潔設備、醫療器械、機器人等領域不可或缺的動力源之一。我司研發生產的GMWSN10040系列24V直流無刷電機在傳統無刷電機基礎上進一步優化,通過先進的電子換向技術和精密減速設計,實現更穩定的動力輸出和更低的運行噪音,滿足高端設備的嚴苛需求。
本款電機支持功率、電壓、轉速、減速比和引線尺寸等關鍵參數均可根據客戶的具體要求深度定制,確保其能夠完全適配各種應用場景。10AWG規格的高品質電機線及26AWG的信號引線設計,不僅保證了電機的高效運行,還提升了其使用安全性。此外,電機還嚴格遵循CCC、CE、ROHS等多項國際質量認證標準,在全球市場贏得廣泛認可,并與國內外多家知名制造商建立了長期穩定的戰略合作。
我司致力于為各行業客戶提供個性化電機解決方案,從參數調整到結構優化,全程專業團隊支持。無論是精密醫療器械還是高性能機器人,我們都能提供匹配的動力支持,助力客戶打造更具競爭力的產品。選擇我們,即是選擇高效、可靠與創新的完美結合。
規格參數
| 型號 | 電壓 V.DC | 空載性能 | 負載性能 | |||||
| 轉速 | 電流 A | 額定力矩 | 轉速 rpm | 電流 A | 額定功率 W | |||
| rpm | A | N.m | Kg.cm | rpm | A | W | ||
| GMWSN10040 | 24 | 220 | 2.0 | 23 | 235 | 180 | 23 | 450 |
| 注:電機電壓、轉速、轉向、出軸長度、引線長度等可以根據客戶要求定制。 | ||||||||
注意:以上所列24V直流無刷電機參數信息僅供參考,詳細參數請以實際產品為準。
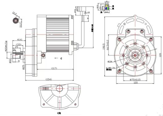
外形尺寸

產品視頻
公司簡介
寧波市鎮海三元機械廠是一家成立于1992年的科技型企業。我們專注于各類中小型電機的研發、制造和銷售。公司擁有一流的技術團隊和先進的生產設備,可以為客戶提供專業的技術支持,并按客戶要求提供定制化的服務。產品深受國內外客戶的信賴和稱譽。
公司成立時間:1992年廠房建筑面積:14000㎡
累積服務客戶:200+家
生產電機總數:40萬+臺
涉及行業領域:10+個
銷售國家地區:20+個

公司擁有強大的營銷和服務網絡,覆蓋全國各地,包括上海、北京、浙江、深圳、吉林、遼寧、江西、天津、山西、河北、河南、云南、陜西、山東、江蘇、安徽、甘肅、福建、重慶、四川、湖南、湖北、廣東、黑龍江、廣西、海南、貴州、西藏、新疆等地區,我們不僅為客戶提供及時的技術支持,更為客戶提供可靠的售后服務,我們始終堅持關懷客戶并完善服務的理念,為客戶創造更加愉悅的訂購體驗。
生產設備
我公司嚴格按照iso9001:2015標準來嚴格規范工廠的生產質量管理,擁有一整套完整先進的生產、加工設備,如自動繞線機、線圈整形機、液壓氣動設備、點焊機、點膠機、綁線機、打標機、車床、鉆床、液壓機、切削機等一系列先進生產設備,在保證產品質量的同時能夠保證高效的供貨能力。

點焊機

精車機

轉子自動繞線機

自動綁線機
工序流程

檢測設備
我公司引進了電機性能測試系統、電磁測功機、電樞綜合測試系統、電機自動測試系統、動平衡測試儀、噪音測試儀等一系列先進的檢測設備保證產品品質。
我們擁有實力強大的qc團隊,從原材料采購到出貨的整個過程均有嚴格的質量控制系統,保證每一環節都符合要求。我們的檢驗標準涵蓋了電機的外觀、結構、性能、安全性和效率等方面的檢驗要求,確保電機質量和安全性。所有出廠的產品100%全檢。

電機性能測試系統

動平衡測量儀

定子綜合測試臺

電機自動測試系統
合作伙伴
我公司的合作客戶遍布全國,并在國際市場上同樣贏得了廣泛的認可與贊譽。我們秉承“品質至上,客戶至上”的服務理念,從產品設計到生產制造,始終堅持精益求精,力求為每一位客戶提供更好的產品和服務。公司員工憑借不懈的努力,持續地推進市場開拓與強化營銷推廣。我們與眾多行業龍頭企業建立了穩固的長期合作關系,所提供的卓越產品與服務廣受這些合作伙伴的高度評價。

榮譽證書
我公司及其兄弟公司“元益機電”均已通過了ISO9001質量管理體系認證。此外,該公司的產品均符合CCC、CE等國際質量認證,并擁有多項外觀設計專利、發明專利及實用新型專利證書。且該公司早在2019年就已被認定為國家高新技術企業。

高新技術企業

創新驅動先進獎

鎮海區企業工程技術中心

ISO9001質量管理體系認證
訂貨須知
訂購產品:客戶確定參數選擇匹配的電機;或者按客戶圖紙及樣品定制電機,確保您訂購的電機符合您的需求。
交貨日期:交期根據客戶訂購的型號和數量不同而不同。在常規款產品方面,我們有一定的原材料備貨,交期會比較短;客戶定制款產品交期相對長一點,我們會竭盡所能早日完成。
付款方式:按照合同約定,我們接受多種付款方式
物流配送:會根據客戶需求來選擇最適合的配送方案
產品包裝:我們提供常規普通包裝,包裝方式會根據產品型號尺寸等具體情況而定;另外,我們也為客戶提供定制包裝服務,以確保產品可以順利送達客戶手中。

上一頁:沒有了
下一頁:無刷直流減速電機


